Válvulas de cierre y control de caudal
Tipos de válvulas de cierre y caudal
Las válvulas de cierre y control de caudal nos permitirán controlar el flujo de aire para dirigirlo a uno o más cilindros en determinado tiempo y forma, por esto lograremos hacer sistemas neumáticos más complejos utilizando todo lo que hemos visto hasta ahora.
Primero se verá la distribución física de las válvulas de control para familiarizarse con su funcionamiento y podamos aplicarlos con mayor facilidad.
La válvula estranguladora es un reductor de flujo de aire, su función es disminuir el caudal de aire que se dirija siguiendo para reducir la velocidad de avance del vástago, también pueden ser usadas en otros componentes pueden ser reguladas por medio del tornillo en la parte superior.
La tobera también restringe el paso del aire parecida a la estranguladora solo que no puede ser regulada.
Su función es similar a las anteriores, reduce el flujo de aire por medio de un pequeño orificio por donde circula.
El orificio ajustable tiene un tornillo de ajuste para poder regular el caudal de aire
Válvula reguladora de caudal unidireccional
Este tipo de válvula puede regular el caudal y además permite el paso de aire en una sola dirección
Estaba algunas selectoras llamados válvulas “O” porque el aire puede entrar por un lado o por el otro hacia la vía número 2.
Se utilizan cuando queremos activar un cilindro con una válvula o con la otra, pero no con las dos al mismo tiempo
Válvula selectora Y (AND)
Esta válvula es parecida a la anterior sólo que con esta válvula el aire necesita entrar por un lado y por el otro para que pueda circular el aire hacia la vía número 2 es usado cuando queremos activar un cilindro utilizando dos válvulas y presionándolas al mismo tiempo.
Válvula de escape rápido
Esta válvula permite el paso del aire de la conexión 1 hacia la conexión 2 al bajar la presión en la vía 1 la bolita vuelve a taparlo y obliga al aire proveniente de la conexión 2 a escapar por la vía 3 a través de un silenciador.
Válvula de retención o antirretorno
Permite el paso de aire en una sola dirección, una pequeña bolita obstruye la tubería cuando el aire intenta regresar. Por ejemplo, en el símbolo podemos ver que el aire sólo puede circular del punto 1 al punto 2.
Esta válvula permite el paso de aire en una sola dirección, pero sólo alcanzará determinada presión ya que el pequeño resorte no deja que la bolita se mueva libremente por eso se necesita cierta fuerza para moverla de su lugar.
Válvula de retención con desbloqueo pilotado
Esta válvula es parecida a la anterior permite el paso del aire en una sola dirección al alcanzar determinada presión, pero con la diferencia de que pueden desbloquearse por la línea 12 para que el aire circule libremente por ambas direcciones 1 y 2.
Esta válvula es parecida a la anterior permite el paso de aire en una sola dirección al alcanzar determinada presión, pero con la diferencia de que puede bloquearse por la línea 10. Puede o no tener muelle.
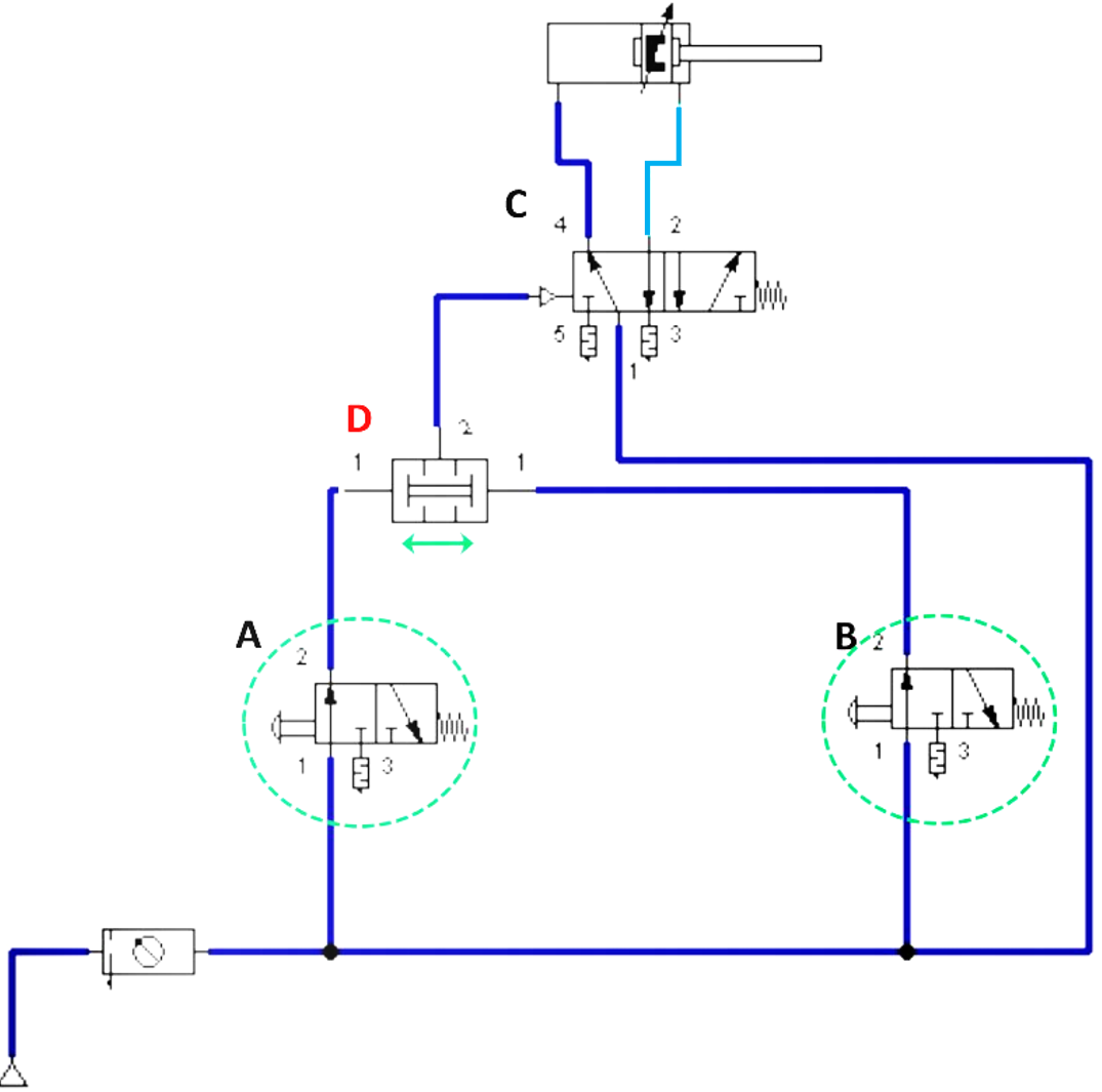
Diagrama de conexión de un cilindro de doble
efecto controlado por dos válvulas
Explicación
Al presionar la válvula A esta permite el paso de aire hacia la entrada izquierda de la válvula C logrando que se active y que permite el paso de aire hacia la conexión 1 del cilindro y este avance.
En este diagrama se muestran un cilindro activado, y notamos como circula el aire desde la vía 1 a la vía 4 de la válvula C hacia el cilindro.
Si se presiona la válvula B entonces la válvula C cambiara de posición y ahora el aire circulara de nuevo de la vía 1 a la vía 2 y el cilindro regresara a su posición inicial tal y como estaba en el diagrama anterior.
En este diagrama podemos ver que está conectada una válvula Y que corresponde a la letra D. Esta válvula nos permite controlar al cilindro usando dos válvulas de accionamiento manual que se presionen al mismo tiempo, sin embargo, si no se presionan a la vez entonces el cilindro no se activará.
Antes de activar la conexión, la válvula Y se encuentra en posición intermedia, la cual no permite pasar aire por ninguna de sus entradas (1) hacia la salida (2) la que se activaría a la válvula de 5 vías que a su vez accionara al cilindro.
Si presionamos la válvula A, veremos que el cilindro no se activa, esto sucede porque la válvula A permitió el paso de aire por la entrada (1) izquierda de la válvula “Y” y ésta cambio de posición moviéndose de tal manera que forma un sello que impide el paso de aire por la salida (2) de la válvula “y”.
Si ahora presionamos la válvula B, veremos que el cilindro tampoco activa, esto sucede porque la válvula B permitió el paso de aire por la entrada (1) derecha de la válvula “y” y ésta cambio de posición moviéndose de tal manera que también forma un sello que impide el paso de aire por la salida (2) de la válvula “Y”.
Ahora si presionamos ambas válvulas a la vez, entonces la válvula “Y” quedara en una posición intermedia que permitirá el paso de aire por su salida (2) hacia la siguiente válvula 5/2 (C) que a su vez accionara el cilindro.
Al dejar de presionar alguna de las válvulas interruptoras entonces el sistema se apagará y todo volverá a su posición original.
Cierre de conexión.
Los cierres de conexión son los lugares donde termina el recorrido de aire, o también podríamos llamarlos salidas de aire.
A las salidas de los componentes se pueden colocar accesorios tales como filtros silenciadores que reducen el ruido ocasionado por el escape de aire, tapones de bloqueo o simplemente en una conexión de escape de aire a otro componente.
Una buena diagramación neumática no deberá tener conexiones vacías, es decir, sin colocarle algún componente.
Diagrama de conexión de un cilindro de doble
efecto con válvula “O” (OR)
La utilización de una válvula “O” (OR) permite activar el cilindro utilizando cualquiera de las dos válvulas que se conecten a ella. En el diagrama podemos ver que tenemos dos válvulas 3/2 conectadas a la válvula “O” en las vías (1) y la salida (2) con las válvulas 5/2 que accionara el cilindro
Del lado derecho tenemos una válvula 3/2 que activara el retroceso del cilindro.
Al presionar la válvula “A” el aire pasa por la válvula selectora “O” y activa la válvula 5/2 que a su vez activa el cilindro.
Si en vez de activar la válvula “A” hubiéramos activado la válvula “B” pasa exactamente lo mismo; el aire pasa a la válvula selectora “O” y sale hacia la válvula 5/2 que a su vez activa el cilindro.
Para regresar a la posición original presionamos la válvula “C” que activa el lado derecho de la válvula 5/2 permitiendo que el aire pase directamente a la conexión 2 del cilindro y retorne a su posición inicial.
Conexión de válvula estranguladora
Las resistencias del aire reducen el flujo que dirige al cilindro y otros componentes, su función es muy simple; el aire pasa por un espacio más pequeño reduciendo así su velocidad, el cual puede ser regulable por un tornillo o puede ser fijo.
En el ejemplo se observa como se conecta una válvula estranguladora regulable y un cilindro de simple efecto
Al presionar la válvula 3/2 el aire circulara a través de la válvula estranguladora y esta reducirá el flujo de aire haciendo el cilindro se desplace lentamente.
Al dejar de presionar la válvula 3/2 el cilindro regresará lentamente a su posición original igualmente pasando por la válvula estranguladora y escapando por la conexión.
Conexión de válvula de retención o antirretorno
Al conectar esta válvula en un sistema se logrará hacer circular el aire en una sola dirección, es decir, si el aire se mueve hacia adelante esta no podrá regresar. El aire entrará por la conexión 1 y saldrá por la conexión 2.
En el ejemplo podemos ver que al presionar la válvula 3/2 el aire circula normalmente, sin embargo, al dejar de presionar el botón el cilindro ya no regresa porque la válvula antirretorno no permite que el aire que contiene el cilindro escape por donde por el mismo asistiendo aun presión dentro del cilindro.
Las otras válvulas de retención trabajan de la misma forma, pero con la ventaja de que tienen otros componentes para realizar funciones más específicas como, por ejemplo; un muelle o un desbloqueo pilotado.





























Comentarios
Publicar un comentario